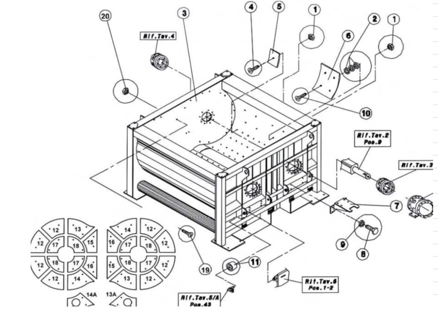
OMG1500/1M3 mixing paddle with alumunium plate pos4 3
OMG1500/1M3 BOLT between paddle and arm pose 8 6
OMG1500 OR OMG 750 SCRAPING PADDLE BOTTOM POS18 4
OMG1500 OR OMG 750 SCRAPING PADDLE MIDDLE POS15 8
OMG1500 OR OMG 750 SCRAPING PADDLE UPPER POS17 4
BOLT FOR SCRAPING PADDLE 32
OMG1500/1000 BOTTOM WEAR PLATE 15MM ROCK400 HB, EQV.OF.PNP7O 1
OMG1500/1000 BOTTOM WEAR PLATE 15MM ROCK400 HB, EQV.OF.PNP7P 1
OMG1500/1000 BOTTOM WEAR PLATE 15MM ROCK400 HB, EQV.OF.PNP7E 2
OMG1500/1000 BOTTOM WEAR PLATE 15MM ROCK400 HB, EQV.OF.PNP7D 2
OMG1500/1000 BOTTOM WEAR PLATE 15MM ROCK400 HB, EQV.OF.PNP7C 6
OMG1500/1000 BOTTOM WEAR PLATE 15MM ROCK400 HB, EQV.OF.PNP7B 6
OMG1500/1000 BOTTOM WEAR PLATE 15MM ROCK400 HB, EQV.OF.PN82A 20
OMG1500/1000 SIDE WEAR PLATE 12MM ROCK400 HB, EQV.OF.PN82H 68
SIDE WALL WEAR PLATES 400HB 10 MM, (48 PARTS) 1,00
Nihard lining wear parts compatible to mao1500-2250-3000 98,00
Bolt for lining wear part 182,00
Mixing arm  8,00
Right and Left Scraping arm 4,00
Cap of arm 12,00
connection bolt between arm and its cap 48,00
Nihard mixing paddle 8,00
Right and left scraping paddle bigger-UP 4,00
Right and left scraping paddle smaller DOWN 4,00
connection bolt between arm and paddle 16,00
paddle connection plate 16,00
paddle alumunium plate on paddle 16,00
M16x100 hammer head bolt 16,00
C Ring between 2 arms on shaft 20,00
SIDE WALL WEAR PLATES 400HB 12 MM, (48 PARTS) 1,00
Nihard lining wear parts compatible to mao1500-2250-3000 112,00
Bolt for lining wear part 216,00
Mixing arm  12,00
Right and Left Scraping arm 4,00
Cap of arm 16,00
connection bolt between arm and its cap 64,00
Nihard mixing paddle 8,00
Right and left scraping paddle bigger-UP 4,00
Right and left scraping paddle smaller DOWN 4,00
connection bolt between arm and paddle 24,00
paddle connection plate 24,00
paddle alumunium plate on paddle 24,00
M16x100 hammer head bolt 16,00
C Ring between 2 arms on shaft 28,00

.

.

BESIS MAKINA Simem, Sicoma, İme, CM, Elba,Liebherr temsilcisi değildir. Satışı yapılan parçalar Yerli, Muadil ,Ucuz ve kaliteli ürünlerdir.

Satışa sunulan Yerli üretim parçalar Simem ana ürünlerinden; MSO1500,MSO1501, MSO3000, MSO3001, MSO 4500,MSO5000,MSO4000, MSO6000,MSO7000,MSO7500 vb SUN1500, SUN3000 model ;karıştrıcılar ile uyumlu aşınan ve sık değişmesi gereken parçalardır. 

Satışa sunulan Yerli üretim parçalar IME (ime) ana ürünlerinden; IME 3000, IME 4500 ,IME 6000  model ;karıştrıcılar ile uyumlu aşınan ve sık değişmesi gereken parçalardır. 

Satışa Sunulan Parçalar Sicoma üretimi MAO1500, MAO3000,MAO 4500, MAO6000,MAO7500, OMG 750, OMG 1500 model beton karıştrıcılarının aşınan muadil eşdeğer yerli yedek parçalarıdır.

* Besiş Makina Euromecc haricinde hiçbir karıştırıcı üreticisinin yetkili distribütörü değildir. Üretici adı kısmında yazan firma bilgisi aynı yedek parçaları üreten firmaların ayrışması için yazılmıştır. Bilgi Amaçlıdır..